Quick order

English

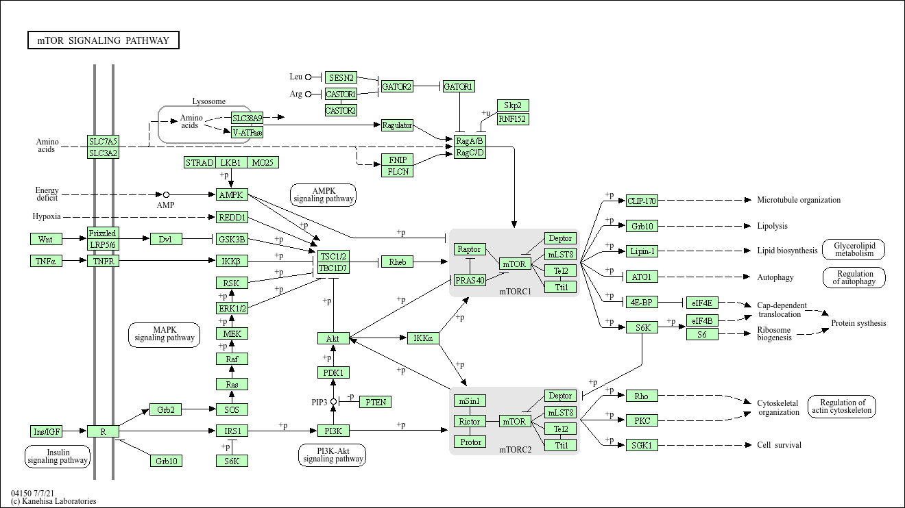
mTOR signaling pathway

A core pathway that senses nutrient, growth factor, energy, and stress signals, divided into two functional complexes: mTORC1 and mTORC2. mTORC1 is composed of mTOR, raptor, and mLST8, regulated by nutrients (amino acids) and growth factors (insulin), promoting protein synthesis by phosphorylating 4E-BP1 and S6K1, while inhibiting autophagy; mTORC2 is composed of mTOR, rictor, and mLST8, participating in the phosphorylation and activation of Akt, regulating cell survival and cytoskeleton rearrangement. Its core function is to coordinate cell growth, proliferation, and metabolism, playing a key role in maintaining cellular homeostasis. Abnormal activation of the pathway is common in various tumors (e.g., colorectal cancer, breast cancer), diabetes, and obesity. Rapamycin and its derivatives are classic mTOR inhibitors, used in tumor treatment and organ transplant immunosuppression.
Core function: Sense nutrient and growth signals to regulate cell growth, proliferation, metabolism, and autophagy, serving as a core pathway for cellular homeostasis. Key regulatory molecules: mTORC1/2, PI3K, Akt, AMPK, Rheb, 4E-BP1, S6K1.

51384 (WNT16), 54361 (WNT4), 7471 (WNT1), 7472 (WNT2), 7473 (WNT3), 7474 (WNT5A), 7475 (WNT6), 7476 (WNT7A), 7477 (WNT7B), 7478 (WNT8A), 7479 (WNT8B), 7480 (WNT10B), 7481 (WNT11), 7482 (WNT2B), 7483 (WNT9A), 7484 (WNT9B), 80326 (WNT10A), 81029 (WNT5B), 89780 (WNT3A)7124 (TNF)3479 (IGF1), 3630 (INS)3480 (IGF1R), 3643 (INSR)7132 (TNFRSF1A)4040 (LRP6), 4041 (LRP5)11211 (FZD10), 2535 (FZD2), 7855 (FZD5), 7976 (FZD3), 8321 (FZD1), 8322 (FZD4), 8323 (FZD6), 8324 (FZD7), 8325 (FZD8), 8326 (FZD9)6520 (SLC3A2)8140 (SLC7A5)1855 (DVL1), 1856 (DVL2), 1857 (DVL3)2885 (GRB2)2887 (GRB10)153129 (SLC38A9)101927180 (ATP6V1FP2), 127124 (ATP6V1G3), 245973 (ATP6V1C2), 51382 (ATP6V1D), 51606 (ATP6V1H), 523 (ATP6V1A), 525 (ATP6V1B1), 526 (ATP6V1B2), 528 (ATP6V1C1), 529 (ATP6V1E1), 534 (ATP6V1G2), 90423 (ATP6V1E2), 9296 (ATP6V1F), 9550 (ATP6V1G1)55437 (STRADB), 92335 (STRADA)6794 (STK11)51719 (CAB39), 81617 (CAB39L)5562 (PRKAA1), 5563 (PRKAA2)54541 (DDIT4)2932 (GSK3B)3551 (IKBKB)27330 (RPS6KA6), 6195 (RPS6KA1), 6196 (RPS6KA2), 6197 (RPS6KA3)5594 (MAPK1), 5595 (MAPK3)5604 (MAP2K1), 5605 (MAP2K2)5894 (RAF1), 673 (BRAF)3265 (HRAS), 3845 (KRAS), 4893 (NRAS)6654 (SOS1), 6655 (SOS2)3667 (IRS1)6198 (RPS6KB1), 6199 (RPS6KB2)83667 (SESN2)652968 (CASTOR1)729438 (CASTOR2)54468 (MIOS), 6396 (SEC13), 79726 (WDR59), 81929 (SEH1L), 84219 (WDR24)10641 (NPRL2), 8131 (NPRL3), 9681 (DEPDC5)10542 (LAMTOR5), 28956 (LAMTOR2), 389541 (LAMTOR4), 55004 (LAMTOR1), 8649 (LAMTOR3)57600 (FNIP2), 96459 (FNIP1)201163 (FLCN)10325 (RRAGB), 10670 (RRAGA)58528 (RRAGD), 64121 (RRAGC)6502 (SKP2)220441 (RNF152)7248 (TSC1), 7249 (TSC2)107080638, 51256 (TBC1D7)6009 (RHEB)57521 (RPTOR)84335 (AKT1S1)2475 (MTOR)64798 (DEPTOR)64223 (MLST8)9894 (TELO2)9675 (TTI1)10000 (AKT3), 207 (AKT1), 208 (AKT2)1147 (CHUK)5170 (PDPK1)5728 (PTEN)110117499 (P3R3URF-PIK3R3), 5290 (PIK3CA), 5291 (PIK3CB), 5293 (PIK3CD), 5295 (PIK3R1), 5296 (PIK3R2), 8503 (PIK3R3)79109 (MAPKAP1)253260 (RICTOR)55615 (PRR5), 79899 (PRR5L)2475 (MTOR)64798 (DEPTOR)64223 (MLST8)9894 (TELO2)9675 (TTI1)6249 (CLIP1)2887 (GRB10)23175 (LPIN1), 64900 (LPIN3), 9663 (LPIN2)8408 (ULK1), 9706 (ULK2)1978 (EIF4EBP1)1977 (EIF4E), 253314 (EIF4E1B), 9470 (EIF4E2)6198 (RPS6KB1), 6199 (RPS6KB2)1975 (EIF4B)6194 (RPS6)387 (RHOA)5578 (PRKCA), 5579 (PRKCB), 5582 (PRKCG)6446 (SGK1)


Product list

    Product list
    Product name
    Reactivity
    Application
  • {{item.title}}
    {{item.react}}
    {{item.applicat}}

Related Promotional Journal Downloads

Brand/Complete Product Range Series
Brand/Complete Product Range Series

Detailed introduction of the column

Download and Save
Primary antibodies
Primary antibodies

Detailed introduction of the column

Download and Save
Secondary antibodies
Secondary antibodies

Detailed introduction of the column

Download and Save
mIHC/ Multiplex Fluorescence Detection Kits
mIHC/ Multiplex Fluorescence Detection Kits

Detailed introduction of the column

Download and Save

Explore Our Recommended Popular Products

More products

30,000+ high- quality products available online

Primary Antibodies, Secondary Antibodies, mIHC Kits, ELISA Kits, Proteins, Molecular Biology Products,Cell Lines,Reagents ...

Contact Us